標題 |
規格書 |
VRRM(V) |
IF(A) |
VF(V) |
@IF(A) |
IR@25℃(μA) |
IFSM(A) |
trr(ns) |
OUTLINE |
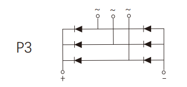
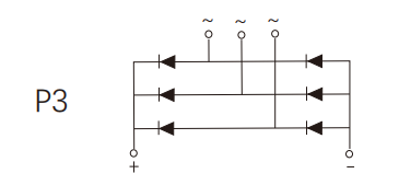
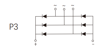
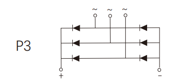
Circuit structure |
|---|---|---|---|---|---|---|---|---|---|---|
| JS2P3MB100-80 | 下載 | 800 | 100 | 1.25 | 100 | 100 | 750 | S2 | P3 | |
| JS3P3MB200-80 | 下載 | 800 | 200 | 1.35 | 200 | 300 | 2500 | S3 | P3 | |
| JS6P3MB100-80 | 下載 | 800 | 100 | 1.25 | 100 | 100 | 920 | S6 | P3 | |
| JS7P3MB200-80 | 下載 | 800 | 200 | 1.30 | 200 | 10 | 1850 | S7 | P3 | |
| JS2P3MB100-120 | 下載 | 1200 | 100 | 1.25 | 100 | 100 | 750 | S2 | P3 | |
| JS3P3MB200-120 | 下載 | 1200 | 200 | 1.35 | 200 | 300 | 2500 | S3 | P3 | |
| JS6P3MB100-120 | 下載 | 1200 | 100 | 1.25 | 100 | 100 | 920 | S6 | P3 | |
| JS7P3MB200-120 | 下載 | 1200 | 200 | 1.30 | 200 | 10 | 1850 | S7 | P3 | |
| JS2P3MB100-160 | 下載 | 1600 | 100 | 1.25 | 100 | 100 | 750 | S2 | P3 | |
| JS3P3MB200-160 | 下載 | 1600 | 200 | 1.35 | 200 | 300 | 2500 | S3 | P3 | |
| JS6P3MB100-160 | 下載 | 1600 | 100 | 1.25 | 100 | 100 | 920 | S6 | P3 | |
| JS7P3MB200-160 | 下載 | 1600 | 200 | 1.30 | 200 | 10 | 1850 | S7 | P3 | |
| JS2P3MB100-180 | 下載 | 1800 | 100 | 1.25 | 100 | 100 | 750 | S2 | P3 | |
| JS3P3MB200-180 | 下載 | 1800 | 200 | 1.35 | 200 | 300 | 2500 | S3 | P3 | |
| JS6P3MB100-180 | 下載 | 1800 | 100 | 1.25 | 100 | 100 | 920 | S6 | P3 | |
| JS7P3MB200-180 | 下載 | 1800 | 200 | 1.30 | 200 | 10 | 1850 | S7 | P3 |



晶恒博客