標題 |
規格書 |
IF(A) |
VRRM(V) |
IFSM(A) |
VF(V) |
@IF(A) |
IR@25℃(uA) |
trr(ns) |
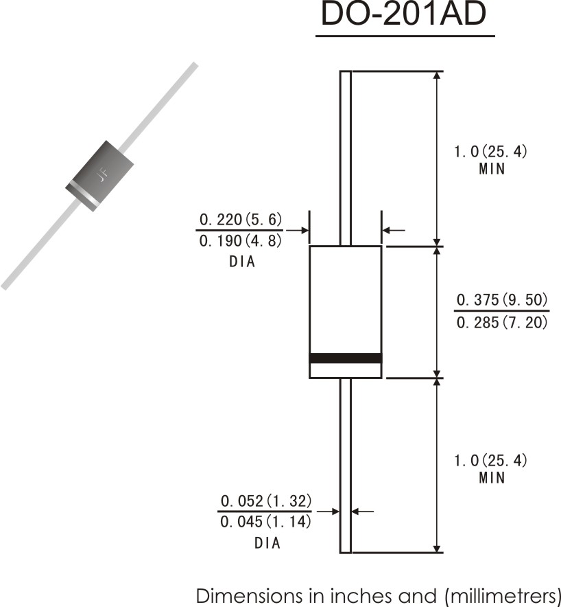
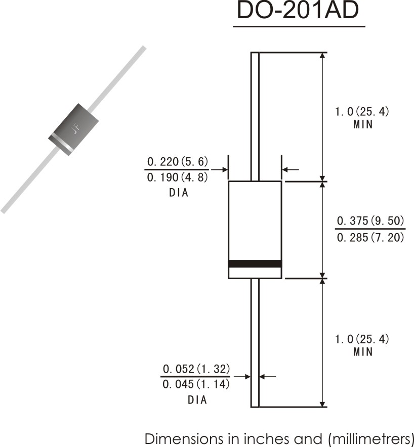
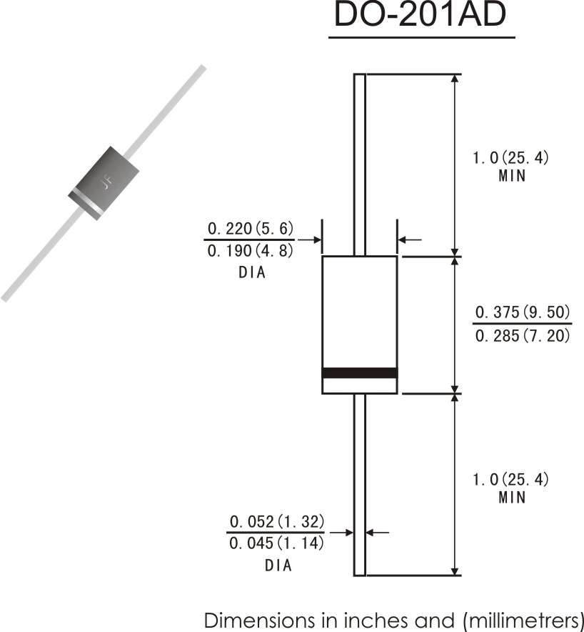
OUTLINE |
|---|---|---|---|---|---|---|---|---|---|
| SS24LB | 下載 | 2.0 | 40 | 50 | 0.47 | 2.0 | 200 | SMB(DO-214AA) | |
| SS24SLB | 下載 | 2.0 | 40 | 50 | 0.43 | 2.0 | 200 | SMB(DO-214AA) | |
| SS26L | 下載 | 2.0 | 60 | 50 | 0.55 | 2.0 | 150 | SMA(DO-214AC) | |
| SS26SL | 下載 | 2.0 | 60 | 50 | 0.45 | 2.0 | 150 | SMA(DO-214AC) | |
| SS26LT | 下載 | 2.0 | 60 | 50 | 0.55 | 2.0 | 150 | SMAFL | |
| SS26LS | 下載 | 2.0 | 60 | 50 | 0.55 | 2.0 | 150 | SMAF | |
| L26 | 下載 | 2.0 | 60 | 50 | 0.55 | 2.0 | 150 | SOD-123FL | |
| SS210L | 下載 | 2.0 | 100 | 80 | 0.75 | 2.0 | 5 | SMA(DO-214AC) | |
| SS215L | 下載 | 2.0 | 150 | 50 | 0.82 | 2.0 | 10 | SMA(DO-214AC) | |
| SS215LB | 下載 | 2.0 | 150 | 50 | 0.85 | 2.0 | 10 | SMB(DO-214AA) | |
| SS220L | 下載 | 2.0 | 200 | 50 | 0.85 | 2.0 | 10 | SMA(DO-214AC) | |
| SS210LS | 下載 | 2.0 | 100 | 50 | 0.75 | 2.0 | 5 | SMAF | |
| SS210LB | 下載 | 2.0 | 100 | 80 | 0.77 | 2.0 | 1 | SMB(DO-214AA) | |
| SS220ULB | 下載 | 2.0 | 200 | 120 | 0.80 | 2.0 | 2 | SMB(DO-214AA) | |
| SR340L | 下載 | 3.0 | 40 | 80 | 0.47 | 3.0 | 200 | DO-201AD | |
| SR340L | 下載 | 3.0 | 40 | 80 | 0.47 | 3.0 | 200 | DO-15 | |
| SR340SL | 下載 | 3.0 | 40 | 80 | 0.43 | 3.0 | 200 | DO-201AD | |
| SR345SL | 下載 | 3.0 | 45 | 80 | 0.43 | 3.0 | 200 | DO-201AD | |
| SR340SL | 下載 | 3.0 | 40 | 80 | 0.43 | 3.0 | 200 | DO-15 | |
| SR345SL | 下載 | 3.0 | 45 | 80 | 0.43 | 3.0 | 200 | DO-15 |
聯系晶恒Contact
咨詢熱線:400-055-0531
電話:0531-86943657
傳真:0531-86412824
郵箱:sale@jinghenggroup.com
地址:山東省濟南市歷下區和平路51號



晶恒博客