標題 |
規格書 |
IF(A) |
VRRM(V) |
IFSM(A) |
VF(V) |
@IF(A) |
IR@25℃(uA) |
trr(ns) |
OUTLINE |
|---|---|---|---|---|---|---|---|---|---|
| SS34L | 下載 | 3.0 | 40 | 80 | 0.47 | 3.0 | 200 | SMA(DO-214AC) | |
| SS34LH | 下載 | 3.0 | 40 | 80 | 0.47 | 3.0 | 200 | SMA(DO-214AC) | |
| SS34LT | 下載 | 3.0 | 40 | 80 | 0.47 | 3.0 | 200 | SMAFL | |
| SS34LB | 下載 | 3.0 | 40 | 80 | 0.47 | 3.0 | 200 | SMB(DO-214AA) | |
| SS345L | 下載 | 3.0 | 45 | 80 | 0.47 | 3.0 | 200 | SMA | |
| SS345SLB | 下載 | 3.0 | 45 | 80 | 0.43 | 3.0 | 200 | SMB(DO-214AA) | |
| SS345LBT | 下載 | 3.0 | 45 | 80 | 0.47 | 3.0 | 200 | SMBFL | |
| SS34SLS | 下載 | 3.0 | 45 | 80 | 0.43 | 3.0 | 100 | SMAF | |
| SS34LS | 下載 | 3.0 | 40 | 80 | 0.47 | 3.0 | 200 | SMAF | |
| SR360L | 下載 | 3.0 | 60 | 80 | 0.55 | 3.0 | 150 | DO-15 | |
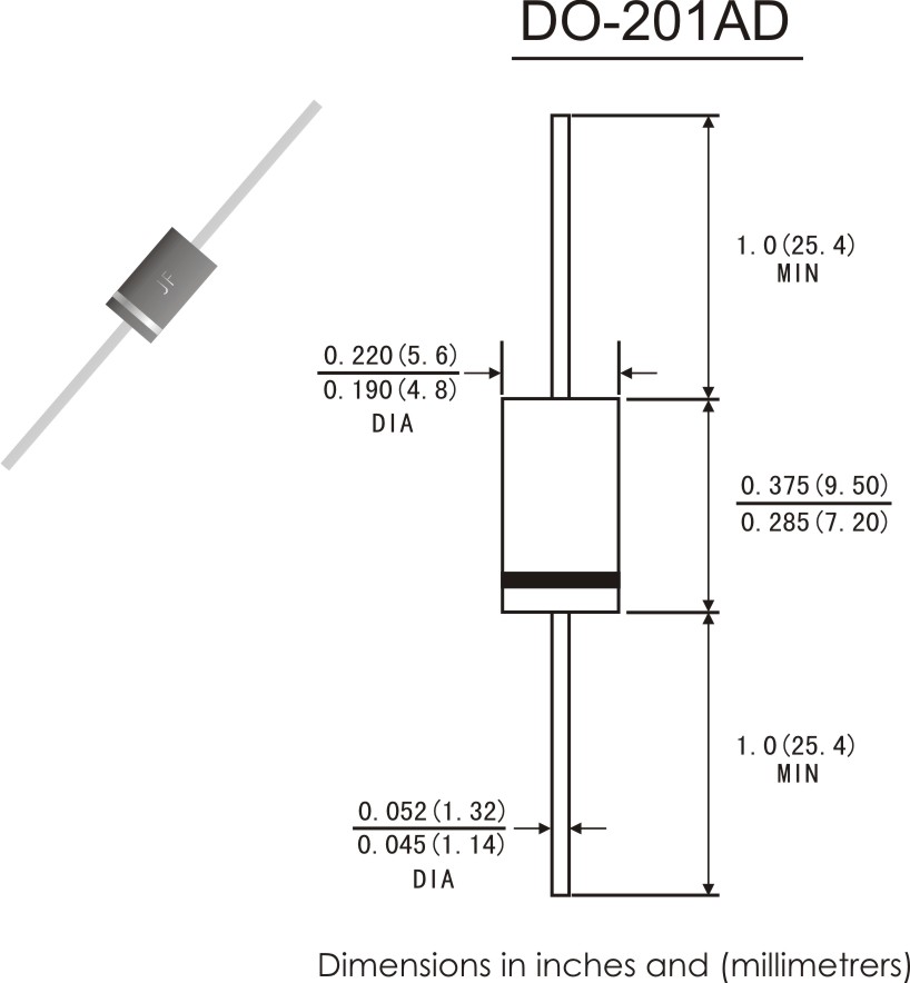
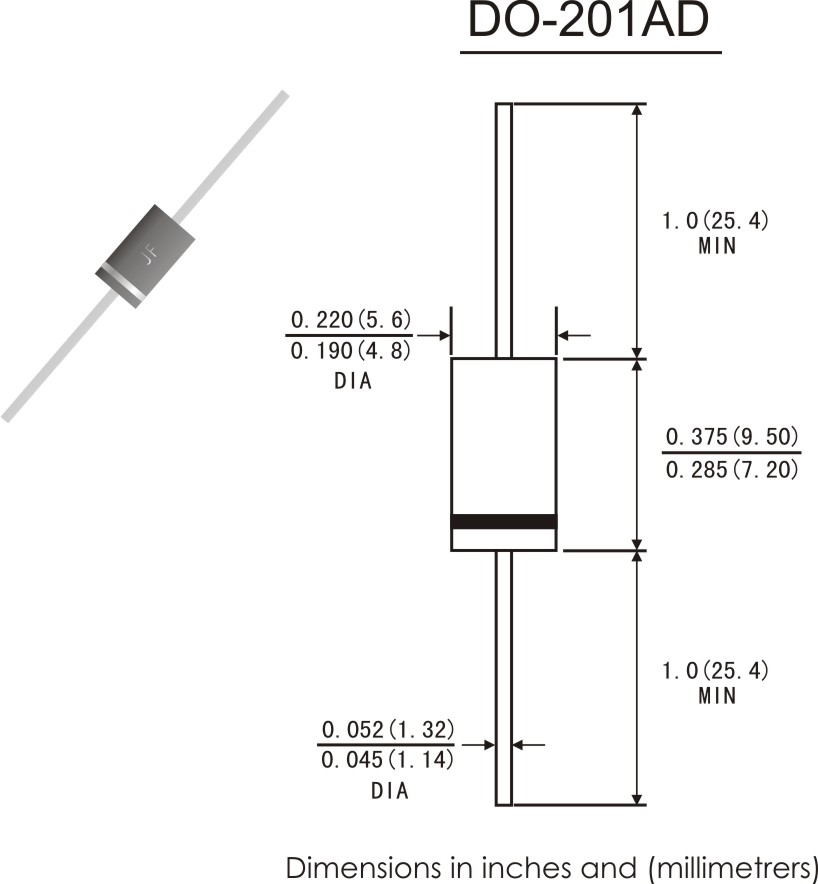
| SR360L | 下載 | 3.0 | 60 | 80 | 0.55 | 3.0 | 150 | DO-201AD | |
| SS36L | 下載 | 3.0 | 60 | 80 | 0.52 | 3.0 | 100 | SMA(DO-214AC) | |
| SS36LT | 下載 | 3.0 | 60 | 80 | 0.55 | 3.0 | 150 | SMAFL | |
| SS36LB | 下載 | 3.0 | 60 | 80 | 0.55 | 3.0 | 150 | SMB(DO-214AA) | |
| SS36LBT | 下載 | 3.0 | 60 | 80 | 0.55 | 3.0 | 150 | SMBF | |
| SS36LS | 下載 | 3.0 | 60 | 80 | 0.52 | 3.0 | 150 | SMAF | |
| SS38SL | 下載 | 3.0 | 80 | 80 | 0.55 | 3.0 | 50 | SMA(DO-214AC) | |
| SS38SLB | 下載 | 3.0 | 80 | 80 | 0.55 | 3.0 | 100 | SMB | |
| SR380L | 下載 | 3.0 | 80 | 70 | 0.55 | 3.0 | 50 | DO-201AD | |
| SS310L | 下載 | 3.0 | 100 | 80 | 0.60 | 3.0 | 50 | SMA(DO-214AC) |
聯系晶恒Contact
咨詢熱線:400-055-0531
電話:0531-86943657
傳真:0531-86412824
郵箱:sale@jinghenggroup.com
地址:山東省濟南市歷下區和平路51號



晶恒博客